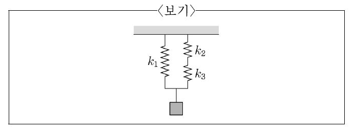
문 01. 〈보기〉와 같이 스프링을 이용하여 500kg의 물체를 매달았다. 이때 물체의 처짐량[mm]은? (단, 탄성계수 $k_1=100N/mm$, $k_2=150N/mm$, $k_3=300N/mm$이고, 중력 가속도는 10$m/s^2$이며, 스프링 질량은 무시한다.)
① 20
② 25
③ 30
④ 35
②
<스프링에 걸리는 하중>
$P=k \delta $
<계산과정>
1) 등가 스프링 상수 구하기
$k_{2} $와 $k_{3} $는 직렬로 연결되어 있다. 두 상수의 역수를 더한 후 다시 역수를 취해준 값은 $k_{e} =100N/mm$ 이다.
2) 최종 스프링 상수 구하기
$k_{1}$와 $k_{e}$는 병렬로 연결되어 있으므로 두 상수를 그냥 더하면 된다. 최종 상수값 $k =200N/mm$ 이다.
3) 처짐량 구하기
$P = 500 kg \times 10 m/s² = 5,000N = 200 N/mm \times δ mm$
$δ =25mm$
문 02. 금속을 소성영역까지 인장시켰다가 하중을 제거한 후 압축했을 때 압축 항복강도가 인장 시보다 작아지는 현상으로 가장 옳은 것은?
① 가공경화
② 시효 경화
③ 탄성 여효
④ 바우싱거 효과
④
<가공경화, work hardening, 변형경화, strain hardening>
슬립을 일으키는 데 필요한 전단응력의 크기는 전위로 인해 이론값보다 작지만, 전위가 많아지면 전위끼리 서로 간섭하여 얽히고, 결정립계, 불순물, 개재물에 의해 움직임이 방해된다. 즉, 전위의 움직임이 더 힘들어진다. 이 방법으로 전단응력을 증가시키는 것, 즉 금속의 강도가 높아지는 것을 가공경화(work hardening) 또는 변형경화(strain hardening)라고 한다. 변형이 심할수록 전위들의 얽힘도 증가하고, 금속의 강도도 증가한다. 가공경화는 상온에서의 금속 가공공정에서 금속의 강도를 높이는 데 잘 활용된다. 전형적인 예로, 인발에 의해 단면적을 감소시켜 선재의 강도를 높이거나, 단조로 볼트머리를 만드는 공정, 자동차차체용 박판 및 항공기 동체소재의 압연 등을 들 수 있다. 변형경화의 정도는 변형경화지수 n으로 나타낸다. 세가지 결정구조 중에서, HCP 구조의 n 값이 가장 낮고, BCC, FCC 구조의 순서로 높아진다.
<시효경화, age hardening>
어느 종류의 금속이나 합금은 가공경화한 직후부터 시간의 경과와 함께 기계적 성질이 변화하나 나중에는 일정한 값을 나타내는 현상을 시효경화라 한다. 황동, 강철, 두랄루민 등이 시효경화를 일으키기 가장 쉬운 재료이다.
<탄성여효, elastic after-effect>
외부에 장시간 방치하면 자연스레 시간에 따라 잔류응력이 감소하는 현상이다. 외력을 제거해도 순간적으로는 없어지지 않으므로 소멸하기까지 어느정도 시간을 필요로 한다. 탄성여효는 고체의 종류와 온도, 압력 등에 따라 다르게 나타날 수 있다.
<바우싱거 효과, bauschinger effect>
재료에 탄성 한계 이상의 하중을 한쪽에 가한 다음에 반대 방향에 하중을 가할 때는 처음부터 그 방향으로 하중을 가했을 때보다도 비례 한계 또는 항복점이 현저하게 저하하는 현상이다. 이것은 다결정 금속뿐만 아니라 단결정에도 존재한다.
문 03. 크리프 현상에 대한 설명으로 가장 옳지 않은 것은?
① 크리프는 재료에 높은 온도로 큰 하중이 일정하게 작용될 때 재료 내의 응력과 변형률이 증가되는 현상이다.
② 고온의 경우 시간의 경과에 따라 재료의 항복응력보다 훨씬 낮은 응력에서도 파단이 일어날 수 있다.
③ 크리프 한도 응력은 특정 온도에서 응력이 작용하여 일정시간 경과 후에 크리프 속도가 0이 되는 한계응력을 의미한다.
④ 일정한 온도에서 하중의 크기가 클수록 크리프 속도가 증가하여 파단에 이르는 시간이 짧아진다.
①
<크리프 현상>
크리프는 재료에 높은 온도로 큰 하중이 일정하게 작용될 때 재료 내의 변형률이 증가되는 현상이다. 고온의 경우 시간의 경과에 따라 재료의 항복응력보다 훨씬 낮은 응력에서도 파단이 일어날 수 있다. 크리프 한도 응력은 특정 온도에서 응력이 작용하여 일정시간 경과 후에 크리프 속도가 0이 되는 한계응력을 의미한다. 일정한 온도에서 하중의 크기가 클수록 크리프 속도가 증가하여 파단에 이르는 시간이 짧아진다.
<1차 크리프, 천이 크리프>
특정 온도가 되면 순간적으로 약한 부분에서 전위가 증식하여 변형이 시작된다. 시간에 따라 변형이 진행되고 변형률이 감소, 가공경화로 묶였던 전위가 고온에서 응력하에서 이동하여 변형이 진행되고 전위가 많아져 서로 엉키고 크리프 속도가 감소된다.
<2차 크리프, 정상 크리프>
일정한 변형률로 변형 진행, 가공경화와 회복(고온)에 의한 연화가 평형을 이루면서 크리프 속도가 일정하게 된다.
<3차 크리프, 가속 크리프>
시간에 따라 변형률이 증가하다 시료 파단, 원자공공 농도가 증가되어 원자확산이 빨라지고 전위이동 쉬워져 크리프 속도가 증가된다. 그리고 원자공공이 결정립계에 모여 공동이 결합되고 미세균열이 형성되어 파단된다. 주로 슬립에 의해서 파괴되고 중심부는 입계파괴가 일어날 수 있다.
<크리프 현상에 영향 미치는 조건>
온도가 높을수록, 응력이 증가할수록, 결정이 미세할수록 크리프 현상이 두드러짐, 즉 변형속도가 커진다.
<재료에 따른 크리프 곡선 특성>
순금속에서는 정상단계가 짧고 취성재료에서는 가속단계 없이 갑자기 파단된다.
<크리프 특성 표기법>
온도, 응력조건 표기
<크리프 강도>
일정온도, 일정한 하중에서, 크리프에 의해 기울기가 규정한 값에 이르는 응력
<파단강도>
어떤 규정된 시간에 크리프 파단을 나타내는 응력

문 04. 원동차 모듈 2, 원동차 잇수 48, 종동차 모듈 2, 종동차 잇수 16인 스퍼기어 한 쌍에서 원동차가 1분에 600번 회전할 때 종동차 회전수의 값[rpm]은?
① 600
② 900
③ 1,200
④ 1,800
④
<기어열에서의 개념원리>
공식도 좋지만, ZN = ZN 이용하기
<계산과정>
48 x 600 = 16 x N
문 05. 외접하는 원추마찰차에서 원동차의 원추각이 30°, 종동차의 원추각이 60°일 때 원동축의 각속도 $\omega _1$ rad/s에 대한 종동축의 각속도 $\omega _2$ rad/s의 회전속도비($ \frac{\omega _2}{\omega _1} $) 값은?
① $\frac{1}{2} $
② $\frac{1}{ \sqrt{3} } $
③ $\frac{ \sqrt{3} }{2} $
④ $ \sqrt{3} $
②
<외접 원추 마찰차>
$ \alpha $ = 원동차의 원추각, $\beta $ = 종동차의 원추각, $\alpha +\beta $ = 축각
$N_1$ = 원동차의 회전속도, $N_2$ = 종동차의 회전속도
$\frac{N_2}{N_1} = \frac{D_1}{D_2} = \frac{sin \alpha }{sin \beta } $
문 06. 총형가공법에 의한 기어절삭에 사용되는 절삭공구로 가장 옳은 것은?
① 피니언 커터
② 호브
③ 래크 커터
④ 브로치
④
<기어절삭법>
- 총형공구에 의한 절삭법(브로치)
- 형판에 의한 방법(모방절삭법)
- 창성법
- 전조에 의한 방법
<창성법, generation method>
- 래크 커터를 사용한 마그식 기어 셰이퍼
- 피니언 커터를 사용한 펠로즈식 기어 셰이퍼
- 호브(hob)를 사용한 호빙머신
→ 스퍼기어 헬리컬 기어 등을 깎을 수 있다.
문 07. 지름 10mm의 트위스트 드릴을 사용하여, 마그네슘 블록에 구멍을 뚫는 작업을 한다. 이송량이 0.1mm/rev, 스핀들의 회전수는 1,200rpm일 때 재료제거율의 값[$mm^3/s$]은? (단, $\pi $는 3이다.)
① 150
② 600
③ 3,000
④ 9,000
①
사실 이 문제는 암기가 필요없는게, 이해해보면, 재료제거율은 공작물이 얼마나 빠르게 들어가는지 계산하면 된다. 공구는 회전하고, 그 상태로 직선으로 투영면적에 들어가므로, 드릴이 직선으로 이동하는 속도를 곱해야 한다. 따라서 드릴의 회전속도를 구하지 않도록 주의하고, 투영면적의 넓이를 공구 이송속도 곱하면 답
<계산과정>
$v=0.1mm/rev \times 1,200rev/min=120mm/min=2mm/s$
$A= \frac{ \pi }{4} d^2= \frac{3}{4} \times 10^2=75mm^2$
문 08. 주조 공정 중 소모성 주형 주조 공정에 해당하지 않는 것은?
① 풀몰드법(full molding)
② 셸주조법(shell molding)
③ 원심주조법(centrifugal casting)
④ 인베스트먼트 주조법(investment casting)
③
<영구 주형 주조법 종류>
다이캐스팅, 가압주조법, 슬러시주조법
원심주조법, 스퀴즈주조법, 반용융성형법, 진공주조
- 다가슬 원스반진
<풀 몰드 주조 공정, full-mold casting process>
폴리스티렌(polystyrene)을 팽창시켜 만든 모형(pattern)이 있는 주형에 용융금속(molten metal)을 주입하여 폴리스티렌을 녹이고 그 자리를 용융금속이 채우면서 냉각되어 제품이 만들어지는 가공법
<셸 몰드법, shell molding>
금속으로 만든 모형을 가열하고 그 모형 위에 규사와 페놀계 수지를 배합한 가루를 뿌려 경화시켜 주형을 만드는 방법이며 주형은 상하 두 개의 얇은 조개 껍데기 모양의 셸로 만들어지므로 셸몰드 주조법이라 부른다. 사형주조법에 비하여 치수정밀도가 좋으며, 표면이 아름답다. 주로 소형 주조에 유리하고 대형 주조에는 적합하지 않으며 자동화가 가능하여 대량생산이 가능하다.
<원심 주조법, centrifugal casting>
속이 빈 주형을 수평 또는 수직상태로 놓고, 중심선을 축으로 회전시키면서 용탕을 주입하여 그때에 작용하는 원심력으로 치밀하고 결함이 없는 주물을 대량생산하는 방법이다. 이 공정에는 진원심주조, 반원심주조, 센트리퓨징의 세 가지 종류가 있다.
<원심 주조법의 특징>
- 용융금속에 높은 압력이 걸리게 되므로 주물의 조직이 치밀하게 된다.
- 수축공이나 기공이 없다.
- 비중차이에 의한 개재물의 분리제거가 가능하다.
- 주물 모양에 따라 다르지만, 탕구나 압탕이 필요하지 않다.
→ 재료의 회수율이 높다.
- 관이나 원통형의 주물을 만들 때에도 코어가 필요없다.
- 모형(패턴)이 필요없다.
- 작업시간이 짧고, 대량생산이 가능하다.
- 응고가 빠르거나 유동성이 작은 금속일수록 주형의 회전속도를 크게한다.
- 제품이 회전대칭일 필요는 없다.
<인베스트먼트법, investment process>
정밀주조법의 한 종류이며 납 등의 융점이 낮은 것으로 원형을 만들고 이 주위를 내화성이 있는 주형재인 인베스트먼트로 피복한 후 원형을 융해 및 유출시킨 주형을 사용한 주조법이다. 복잡한 형상의 주물, 기계 가공이 곤란한 합금 등의 주조에 적합하며 이 공법에서 만들어진 주물은 치수 정도가 높고, 주물 표면이 좋다.
문 09. 피복금속아크용접(Shielded Metal Arc Welding:SMAW) 에서 아크 용접봉 피복제의 역할로 가장 옳지 않은 것은?
① 슬래그를 발생시키고 용융금속의 유동성을 좋게 한다.
② 전류를 잘 통하게 하여 아크의 안정성을 좋게 한다.
③ 스패터링을 적게 한다.
④ 용접 중 산화 및 질화를 방지한다.
②
<피복제, flux>
용접용은 심선과 피복제(flux)로 구성되어 있다. 그리고 피복제의 종류는 가스 발생식, 반가스 발생식, 슬래그 생성식이 있다. 우선, 용접입열이 가해지면 피복제가 녹으면서 가스 연기가 발생하게 된다. 그리고 그 연기가 용접하고 있는 부분을 덮어 대기중으로부터의 산소와 질소로부터 차단해주는 역할을 한다. 따라서 산화물 또는 질화물이 발생하는 것을 방지해 준다. 또한, 대기 중으로부터 차단하여 용접 부분을 보호하고, 연기가 용접입열이 빠져나가는 것을 막아주어 용착금속의 냉각속도를 지연시켜 급랭을 방지해준다. 그리고 피복제가 녹아서 생긴 액체 상태의 물질을 용제라고 한다. 이 용제도 용접부를 덮어 대기중으로부터 보호하기 때문에 불순물이 용접부에 함유되는 것을 막아 용접 결함이 발생하는 것을 막아주게 된다. 불활성 가스 아크 용접은 아르곤과 헬륨을 용접하는 부분 주위에 공급하여 대기로부터 보호한다. 즉, 아르곤과 헬륨이 피복제의 역할을 하기 때문에 용제가 필요 없는 것이다.
용가제 = 용접봉과 같은 의미로 보면 된다.
<용접 피복제의 역할>
- 용융금속 중 산화물을 탈산하고 불순물을 제거하는 작용을 한다.
- 스패터를 적게 발생시키고, 아크의 발생과 유지를 안정되게 한다.
- 슬래그가 되어 용착금속의 급랭을 방지하여 조직을 좋게 한다.
- 용착금속의 흐름을 원활하게 하고, 용착금속을 보호한다.
- 용융금속의 용적을 미세화하여 용착효율을 높인다.
- 필요원소를 용착금속에 첨가시킨다.
- 수직이나 위보기 등의 어려운 자세를 쉽게 한다.
- 전기 절연 작용을 하고 용융금속의 유동성을 좋게 한다.
- 슬래그 박리성을 좋게 하고 파형이 고운 비드를 만든다.
- 용융금속의 응고와 냉각속도를 느리게 한다.
- 산화 및 질화를 방지하고 전기통전작용을 방지(억제)한다.
문 10. <보기>와 같이 집중하중 P가 작용하는 보에서의 BMD(Bending Moment Diagram, 굽힘 모멘트 선도)로 가장 옳은 것은?
③

문 11. 내연기관에 대한 설명 중 가장 옳지 않은 것은?
① 외연기관 대비 소형화에 유리하다.
② 오토 사이클(Otto cycle)은 전기 점화 내연기관의 이상적인 열역학 사이클이다.
③ 연료 연소 시 노킹(knocking)이 발생할 수 있다.
④ 같은 배기량에서 2행정 기관이 4행정 기관보다 출력은 떨어지나 열효율이 우수하다.
④
<노크, knock>
실린더 내에 충격파(디토네이션파)가 발생하여 심한 진동을 일으키고 실린더와 공진하여 금속을 타격하는 소리를 내는 현상을 말하며 화염면이 말단가스까지 전파되기 이전에 생긴다.
<노크 방지법>
가솔린 | 디젤 | |
연료착화점 | 높게 | 낮게 |
착화지연 | 길게 | 짧게 |
회전수 | 높게 | 낮게 |
연료분사량 | 많게 | 적게 |
압축비 | 낮게 | 높게 |
흡기온도 | 낮게 | 높게 |
흡기압력 | 낮게 | 높게 |
실린더 벽온도 | 낮게 | 높게 |
실린더 체적 | 작게 | 크게 |
가솔린 연료착화지연회전수분사량 높고 다 작다.
<4사이클 기관: 장점>
- 각 행정이 완전히 구분되어 있다.
→ 열적 부하가 적고 체적효율이 높다.
- 블로바이(blow bye)가 적고 실화가 적으며 연료소비율이 적다.
- 시동이 쉽고 저속운전이 원활, 저속에서 고속까지의 속도범위가 넓다.
- 탄화수소(HC), 질소산화물(NOₓ)의 배출이 적다.
<4사이클 기관: 단점>
- 실린더수가 적으면 회전이 원활하지 못하다.
- 밸브기구가 복잡하고, 밸브기구로 인한 충격이나 소음이 크다.
- 출력당 중량이 크다.
<2사이클 기관: 장점>
- 매 회전시 폭발발생으로 마력이 크다.
- 4사이클 기관의 1.7~1.8배다.
- 밸브기구 유무에 상관없이 구조가 간단하고 취급이 용이하다.
- 고속에서 주철 피스톤의 사용이 가능하다.
- 피스톤 기구의 관성력이 적다.
- 회전력이 균일하여 플라이휠을 소형 경량으로 할 수 있다.
- 역전이 용이하고, 시동이 편리하다.
- 실린더 수가 적어도 회전이 원활하다.
- 출력당 중량이 작고 값이 저렴하다.
<2사이클 기관: 단점>
- 소기펌프가 필요하고 소음이 높기 때문에 고속시 문제가 있다.
- 회전속도를 높이지 못한다.
→ 그러나 너무 저속에서는 역화가 발생한다.
- 밸브기구의 관성력 때문에 최고속도가 제한된다.
- 유효행정이 짧아서 흡·배기가 불안정하고 열효율이 낮다.
- 연소 전, 손실 연료량이 있어 연료소비율이 높다.(단락 손실)
- 윤활유 소비량이 많고 과열되기 쉽다.
- 피스톤과 링 소손이 빠르다.
<가솔린 vs 디젤>
가솔린 | 디젤 | |
연료 | 휘발유(비싸다) | 경유·중유(싸다) |
사이즈 | 소형 | 대형 |
중량 | 경량 | 중량 |
압축비 | 작다 | 크다 |
진동 | 작다 | 크다 |
구조 | 약함 | 견고 |
공기흡입 | 가솔린+공기 | 순수 공기 |
착화 | 전기 점화 불꽃 | 분사 고온 점화 |
회전수 | 높다 | 낮다 |
토크 | 작다 | 크다 |
열효율 | 낮다 | 높다 |
문 12. 카르노 사이클(Carnot cycle)로 작동되는 열기관이 227℃의 고온체로부터 500kJ의 열을 받아 27℃의 저온체로 열을 방출시키고 있다. 이 열기관의 열효율[%]과 이 열기관이 저온체에 방출하는 열량[kJ]을 가장 옳게 짝지은 것은?
① 40, 200
② 40, 300
③ 88, 200
④ 88, 300
②
<카르노 사이클의 효율>
$\eta =1- \frac{T_L}{T_H}= \frac{W}{Q} $
<계산과정>
$\eta =1- \frac{300}{500} = \frac{2}{5} =0.4$
$\eta =0.4=1- \frac{Q_L}{Q_H}= 1- \frac{300}{500} $문 13. 지름이 10mm인 원형 단면을 가지는 봉에 300$kgf$의 추를 달았을 때 허용인장응력에 도달하였다. 이 봉의 인장강도가 500$kgf/cm^2$라고 하면 안전계수의 값은? (단, $\pi $는 3이다.)
① 1.25
② 5
③ 12.5
④ 50
①
<응력, stress>
$ \frac{ \sigma }{S} = \frac{P}{A} $
<계산과정>
$ \frac{500 (kgf/cm^2)}{S} = \frac{300(kgf)}{ \frac{\pi \times 1^2(cm^2)}{4} } $, $S=1.25$
문 14. 선반에서 수행이 가능한 작업들을 모두 고른 것은?
ㄱ. 원통 가공
ㄴ. 테이퍼 가공
ㄷ. 나사 가공
ㄹ. 드릴링
① ㄱ
② ㄴ, ㄷ
③ ㄱ, ㄴ, ㄷ
④ ㄱ, ㄴ, ㄷ, ㄹ
④
<선반 가공의 종류>
- 원통 가공, 테이퍼 가공, 윤곽 가공
- 홈 가공, 단면 가공, 단면 홈 가공, 내부 홈 가공, 총형 가공
- 보링, 드릴링, 절단 가공, 나사 가공, 널링
문 15. 나사에 대한 설명으로 가장 옳은 것은?
① 사각 나사는 주로 운동용 나사로 사용되며, 일반적으로 공작이 쉽지만 나사효율이 낮다.
② 미터 가는 나사는 미터 보통 나사에 비해 수나사의 골지름 부위 틈새가 더 작다.
③ 1-12 UNF로 표시되는 나사의 피치는 12mm이다.
④ 두 줄 나사의 경우 나사의 피치는 리드의 두 배이다.
②
<결합용 나사>
유니파이나사, 미터나사, 삼각나사, 관용나사 등
- 유미 삼관
<운동용 나사>
톱니나사, 볼나사, 사각나사, 사다리꼴나사, 둥근나사 등
나사의 효율이 낮아야 결합용으로 사용한다. 효율이 좋다는 것은 운동용 즉, 동력전달에 사용한다는 의미이므로 효율이 낮아야 결합용(체결용)나사로 사용한다.
<유니파이 보통나사, UNC>
나사 호칭에 된 숫자, inch당 나사산수, 나사의 종류 수로 표기한다. inch 당 나사산수는 12이므로 피치는 25.4/12 mm이다.
<나사의 축 방향 이동거리>
거리 = n p r
- 리드는 r이 1일 때
문 16. 유압기호 중 가변 용량형 유압 펌프로 가장 옳은 것은?
③
① 정용량형 유압 펌프
② 정용량형 유압 모터
④ 가변 용량형 유압 모터
문 17. 체인 전동장치의 특징으로 가장 옳지 않은 것은?
① 유지 및 수리가 간단하고 수명이 길다.
② 미끄럼이 없어 일정한 속도비를 얻을 수 있다.
③ 체인은 인장강도가 작아서 작은 동력 전달에 쓰인다.
④ 전동효율이 일반적으로 95% 이상이다.
③
<체인 전동장치의 장점>
- 큰 동력을 전달시킬 수 있고, 전동효율이 높다.(95%이상)
- 여러 개의 축을 동시에 구동할 수 있다.
- 미끄럼이 없어 일정한 속도비를 얻을 수 있다.
- 초기장력이 필요 없다.
- 정지 시, 장력이 작용하지 않아 베어링 반력이 발생하지 않는다.
- 링크 수를 조절하여 축간거리를 조절할 수 있다.
- 체인의 탄성에 의해 충격하중 흡수가 가능하다.
- 유지·보수가 쉽고, 수명이 길다.
<체인 전동장치의 단점>
- 진동과 소음이 심하다.
- 회전각의 전달 정확도가 좋지 않아서 고속 회전에 부적합하다.
- 링크의 피치 단위로 치수를 조절해야 한다.
- 윤활이 필요하다.
문 18. 구리에 대한 설명으로 가장 옳지 않은 것은?
① 전기전도도가 높고 가공성이 우수하다.
② 주석, 니켈, 은 등과 용이하게 합금을 만들 수 있다.
③ 우수한 내부식성과 낮은 열전도도로 고온부품에 흔히 사용된다.
④ 구리와 아연의 합금을 황동(brass)이라 한다.
③
문 19. <보기>와 같이 지름이 4m인 원형평판이 물속에 수직으로 잠겨있다. 이 평판의 한쪽 면에 작용하는 전체 압력에 의한 힘의 값[kN]은? (단, 물의 밀도는 1$g/ml$이고, 중력 가속도는 10$m/s^2$이며, $\pi $는 3이다.)
① 600
② 3,600
③ 6,000
④ 8,400
①
<정수력, Hydrostatic Force>
$F= \rho gh_cA$
<계산과정>
$F=1,000kg/m^3 \times 10m/s^2 \times (3+2)m \times \frac{ \pi }{4} \times 4^2=600,000N$
문 20. <보기>와 같이 길이 L, 질량 m, 단면적 A인 균질하고 가느다란 막대의 축에 대한 질량 관성모멘트로 가장 옳은 것은? (단, 막대 끝을 지나는 x축은 막대에 수직하다.)
① $\frac{1}{12}mL^2$
② $\frac{1}{3}mL^2$
③ $\frac{2}{5}mL^2$
④ $\frac{2}{3}mL^2$
②
<질량 관성 모멘트>

'기계일반 > 서울시 9급(시설관리)' 카테고리의 다른 글
2024년 제1회 서울시 9급(시설관리) 기계일반 문제 및 해설 (0) | 2024.04.13 |
---|---|
2023년 서울시 9급(보훈청) 기계일반 문제 및 해설 (1) | 2024.04.13 |
2022년 서울시 9급(보훈청) 기계일반 문제 및 해설 (0) | 2024.03.17 |
2022년 서울시 9급(시설관리) 기계일반 문제 및 해설 (7) | 2024.03.17 |
2021년 서울시 9급(보훈청) 기계일반 문제 및 해설 (0) | 2024.03.01 |
댓글